RÉSUMÉ DES CARACTÉRISTIQUES DU PRODUIT

ANSM - Mis à jour le : 08/03/2013

1. DENOMINATION DU MEDICAMENT

TEKCIS 2-50 GBq générateur radiopharmaceutique

2. COMPOSITION QUALITATIVE ET QUANTITATIVE

Le pertechnétate (99mTc) de sodium injectable est produit au moyen d’un générateur radiopharmaceutique (99Mo/99mTc). Le technétium (99mTc) décroit en émettant des rayons gamma avec une énergie moyenne de 140 keV et une période de 6,02 heures pour donner du technétium (99Tc), qui peut être considéré comme quasi-stable en raison de sa longue période de 2,13 x 105 ans.

Le générateur radiopharmaceutique contenant l’isotope parent 99Mo, adsorbé sur une colonne chromatographique, délivre le pertechnétate (99mTc) de sodium en solution stérile.

Le 99Mo présent sur la colonne est en équilibre avec l’isotope de filiation 99mTc précédemment formé. Les générateurs sont fournis avec les activités en molybdène (99Mo) suivantes à calibration, délivrant à l'équilibre les activités en technétium (99mTc) correspondantes :

Activité 99mTc

(Activité maximale éluable à la date de calibration, 12h CET)

2

4

6

8

10

12

16

20

25

50

GBq

Activité 99Mo (à la date de calibration, 12h CET)

2,5

5

7

9,5

12

14,5

19

24

30

60

GBq

Excipient à effet notoire : sodium

Chaque mL de solution de pertechnétate (99mTc) de sodium contient 3,6 mg de sodium.

Pour la liste complète des excipients, voir rubrique 6.1.

3. FORME PHARMACEUTIQUE

Générateur radiopharmaceutique

4. DONNEES CLINIQUES

4.1. Indications thérapeutiques

Ce médicament est à usage diagnostique uniquement.

L'éluat du générateur (solution injectable de pertechnétate (99mTc) de sodium Ph. Eur.) est indiqué pour :

· Marquage de différentes trousses pour préparations radiopharmaceutiques développées et autorisées pour le marquage avec cette solution.

· Scintigraphie thyroïdienne : imagerie directe et mesure de la fixation thyroïdienne permettant d'obtenir des informations sur la taille, la position, la nodularité et la fonction de la glande dans les affections thyroïdiennes.

· Scintigraphie des glandes salivaires: diagnostic d’une sialadénite chronique (par exemple syndrome de Sjögren), évaluation de la fonction des glandes salivaires et de la perméabilité canalaire dans les troubles des glandes salivaires, et suivi de la réponse aux interventions thérapeutiques (en particulier traitement par l’iode radioactif).

· Localisation de muqueuse gastrique ectopique (diverticule de Meckel).

· Scintigraphie des canaux lacrymaux pour l’évaluation des troubles de la fonction lacrymale et le suivi de la réponse aux interventions thérapeutiques.

4.2. Posologie et mode d'administration

Ce médicament radiopharmaceutique doit être uniquement utilisé dans un service de médecine nucléaire habilité et ne doit être manipulé que par des personnes autorisées.

Posologie

La solution injectable de pertechnétate (99mTc) de sodium est habituellement administrée par voie intraveineuse à des activités qui varient largement selon les informations cliniques recherchées et l'appareillage utilisé. D’autres activités peuvent être justifiables. L’injection d’activités supérieures aux NRD (Niveaux de Référence Diagnostiques) doit être justifiée. Le pré-traitement des patients par des agents bloquant la thyroïde ou des agents réducteurs peut être nécessaire dans certaines indications. Les activités recommandées sont les suivantes :

Adultes (70 kg) et personnes âgées :

Scintigraphie thyroïdienne : 20-80 MBq

Scintigraphie des glandes salivaires : 30 à 150 MBq pour des images statiques et jusqu'à 370 MBq pour des images dynamiques

Scintigraphie des diverticules de Meckel : 300-400 MBq

Scintigraphie des canaux lacrymaux : 2-4 MBq pour chaque œil.

Insuffisants rénaux

La radioactivité à administrer doit être déterminée avec soins car un accroissement de l’exposition aux radiations est possible chez ces patients.

Population pédiatrique

L’utilisation chez l’enfant et l’adolescent doit être envisagée avec prudence, sur la base des besoins cliniques et après une évaluation du rapport bénéfice / risque. Les activités à administrer chez l’enfant et l’adolescent peuvent être calculées conformément aux recommandations de l’European Association of Nuclear Medicine (EANM – mai 2008), en utilisant la formule correspondant à l’indication et le facteur de correction correspondant à la masse corporelle du jeune patient (Tableau 1).

Scintigraphie thyroïdienne :

Activité administrée [MBq] = 5,6 MBq x facteur de correction (Tableau 1), avec une activité minimale de 10 MBq nécessaire pour l’obtention d’images de qualité satisfaisante.

Identification d’une muqueuse gastrique ectopique :

Activité administrée [MBq] = 10,5 MBq x facteur de correction (Tableau 1),

Activité minimale : 20 MBq

Tableau 1

Masse

Facteur

Masse

Facteur

Masse

Facteur

3 kg

=

1

22 kg

=

5,29

42 kg

=

9,14

4 kg

=

1,14

24 kg

=

5,71

44 kg

=

9,57

6 kg

=

1,71

26 kg

=

6,14

46 kg

=

10,00

8 kg

=

2,14

28 kg

=

6,43

48 kg

=

10,29

10 kg

=

2,71

30 kg

=

6,86

50 kg

=

10,71

12 kg

=

3,14

32 kg

=

7,29

52-54 kg

=

11,29

14 kg

=

3,57

34 kg

=

7,72

56-58 kg

=

12,00

16 kg

=

4,00

36 kg

=

8,00

60-62 kg

=

12,71

18 kg

=

4,43

38 kg

=

8,43

64-66 kg

=

13,43

20 kg

=

4,86

40 kg

=

8,86

68 kg

=

14,00

Scintigraphie des glandes salivaires :

Le Groupe de Travail "Pédiatrie" de l'EANM (1990) recommande que l’activité administrée à l’enfant soit calculée en fonction de sa masse corporelle selon le tableau 2 suivant :

Tableau 2 : Fraction de l’activité adulte

3 kg

=

0,1

22 kg

=

0,50

42 kg

=

0,78

4 kg

=

0,14

24 kg

=

0,53

44 kg

=

0,80

6 kg

=

0,19

26 kg

=

0,56

46 kg

=

0,82

8 kg

=

0,23

28 kg

=

0,58

48 kg

=

0,85

10 kg

=

0,27

30 kg

=

0,62

50 kg

=

0,88

12 kg

=

0,32

32 kg

=

0,65

52-54 kg

=

0,90

14 kg

=

0,36

34 kg

=

0,68

56-58 kg

=

0,92

16 kg

=

0,40

36 kg

=

0,71

60-62 kg

=

0,96

18 kg

=

0,44

38 kg

=

0,73

64-66 kg

=

0,98

20 kg

=

0,46

40 kg

=

0,76

68 kg

=

0,99

Pour les très jeunes enfants, une activité minimale de 10 MBq est nécessaire pour obtenir des images de qualité satisfaisante.

Scintigraphie des canaux lacrymaux : les activités recommandées sont identiques chez l’adulte et l’enfant.

Mode d’administration

Pour usage multidose.

Pour voie intraveineuse, oculaire ou marquage.

Pour les instructions sur la préparation extemporanée du produit, voir la rubrique 12.

Pour la préparation du patient, voir la rubrique 4.4.

Pour la scintigraphie thyroïdienne, la scintigraphie des glandes salivaires, l’identification de muqueuse gastrique ectopique, la solution de pertechnétate (99mTc) de sodium est administrée par voie intraveineuse.

Pour la scintigraphie des canaux lacrymaux, des gouttes sont instillées dans chaque œil.

Acquisition des images

Scintigraphie thyroïdienne : 20 minutes après injection intraveineuse.

Scintigraphie des glandes salivaires : des images statiques sont effectuées immédiatement après l’injection et à intervalles réguliers jusqu’à 15 minutes.

Les images dynamiques sont effectuées immédiatement après l'injection et à intervalles réguliers jusqu'à 30 minutes.

L'acquisition dynamique est recommandée.

Identification de muqueuse gastrique ectopique : immédiatement après l’injection et à intervalles réguliers pendant 30 minutes.

Scintigraphie des canaux lacrymaux : acquisition dynamique dans les deux minutes suivant l’instillation, suivi d’images statiques acquises à intervalles réguliers sur 20 minutes.

4.3. Contre-indications

Hypersensibilité à la substance active ou à l’un des excipients mentionnés à la rubrique 6.1.

4.4. Mises en garde spéciales et précautions d'emploi

Potentiel de réactions d'hypersensibilité ou de réactions anaphylactiques

En cas de réaction d’hypersensibilité ou de réaction anaphylactique, l’administration du produit doit être immédiatement interrompue et un traitement par voie intraveineuse doit être débuté, si nécessaire.

Afin de permettre une prise en charge rapide en cas d’urgence, il convient d’avoir à disposition immédiate les médicaments et le matériel nécessaires, notamment une sonde d’intubation trachéale et du matériel de ventilation.

Justification du bénéfice/risque individuel

Chez chaque patient, l’exposition aux rayonnements ionisants doit se justifier sur la base du bénéfice attendu. L’activité administrée doit, dans tous les cas, être déterminée en limitant autant que possible la dose de radiation résultante tout en permettant d’obtenir l’information diagnostique requise.

Insuffisants rénaux

Le rapport bénéfice/risque doit être déterminé avec soins, car une exposition accrue au rayonnement est possible chez ces patients.

Population pédiatrique

Pour des informations sur l’utilisation chez la population pédiatrique, voir rubrique 4.2.

L'indication doit être considérée avec prudence, car la dose efficace par MBq est plus élevée que chez l’adulte (voir rubrique 11).

Préparation du patient

Un pré-traitement des patients par des agents bloquant la thyroïde ou des agents réducteurs peut être nécessaire pour certaines indications.

Le patient doit être bien hydraté avant le début de l’examen et uriner aussi souvent que possible au cours des premières heures suivant l’examen afin de réduire l’exposition aux radiations.

Pour la scintigraphie de diverticules de Meckel, le patient doit être à jeun depuis trois à quatre heures avant l’examen afin de maintenir un faible péristaltisme de l’intestin grêle.

Après l’examen

Tout contact étroit avec un nourrisson ou une femme enceinte doit être évité au cours des 12 heures suivant l’examen.

Mises en garde spécifiques

La solution de pertechnétate (99mTc) de sodium contient 3,6 mg/mL de sodium.

En fonction du moment d’administration de l’injection, la teneur en sodium administrée au patient peut être supérieure à 1 mmol dans certains cas. Cette quantité doit être prise en compte chez les patients suivant un régime hyposodé.

Pour le marquage d’une trousse, la détermination de la teneur en sodium de la dose administrée doit prendre en compte le sodium provenant de l’éluat et de la préparation radiopharmaceutique. Veuillez consulter la notice de la trousse concernée.

Afin d’éviter de faux positifs et de minimiser l’irradiation en réduisant l’accumulation de pertechnétate dans la thyroïde et les glandes salivaires, du perchlorate de potassium doit être administré avant une scintigraphie des canaux lacrymaux ou une recherche de diverticules de Meckel.

Dans la scintigraphie des glandes salivaires, une spécificité moindre de la méthode doit être attendue comparativement à la sialographie par IRM.

Pour les précautions liées au risque environnemental, voir la rubrique 6.6.

4.5. Interactions avec d'autres médicaments et autres formes d'interactions

L’atropine, l’isoprénaline et les analgésiques peuvent retarder la vidange gastrique et induire ainsi une redistribution du pertechnétate (99mTc) en imagerie abdominale.

L’administration de laxatifs doit être interrompue car ceux-ci irritent le tractus gastro-intestinal. Les examens avec produits de contraste (produit de contraste baryté par exemple) ou les examens des voies digestives hautes doivent être évités durant les 48 heures précédant l’administration du pertechnétate (99mTc) pour une scintigraphie de diverticules de Meckel.

De nombreux agents pharmacologiques modifient la fixation thyroïdienne.

· les agents antithyroïdiens (par exemple carbimazole ou autres dérivés imidazolés tels que le propylthio-uracile), salicylés, corticoïdes, nitroprussiate de sodium, sulfobromophtaléine de sodium et perchlorate : leur administration doit être interrompue une semaine avant la scintigraphie thyroïdienne ;

· la phénylbutazone et les expectorants : le traitement doit être interrompu deux semaines auparavant ;

· les préparations thyroïdiennes naturelles ou de synthèse (par exemple thyroxine sodique, liothyronine sodique, extrait thyroïdien) : le traitement doit être interrompu deux ou trois semaines auparavant ;

· l’amiodarone, les benzodiazépines et le lithium doivent être interrompus quatre semaines auparavant ;

· aucun produit de contraste intraveineux ne doit avoir été administré au cours des 30 à 60 jours précédents.

4.6. Grossesse et allaitement

Femmes en âge de procréer

Quand l’administration d’un radiopharmaceutique est prévue chez une femme en âge de procréer, il est important de déterminer si elle est ou non enceinte. Toute femme n’ayant pas eu ses règles doit être considérée comme enceinte jusqu’à preuve du contraire. En cas de doute quant à une éventuelle grossesse (en cas d'aménorrhée, de cycles très irréguliers, etc.), d’autres techniques n’impliquant pas l’emploi de radiations ionisantes (si elles existent) doivent être proposées à la patiente.

Grossesse

Il a été démontré que le 99mTc (sous forme de pertechnétate libre) traverse la barrière placentaire.

L’administration d’un radioélément à une femme enceinte implique également une irradiation du fœtus. Un examen de ce type ne doit être réalisé chez une femme enceinte qu’en cas de nécessité absolue, si le bénéfice probable excède largement le risque encouru par la mère et le fœtus.

L'administration directe de 400 MBq de pertechnétate (99mTc) de sodium à une patiente entraîne une dose d'irradiation de l'utérus de 3,2 mGy. En cas d'administration préalable à la patiente d'un agent bloquant, l'administration de 400 MBq de pertechnétate (99mTc) de sodium entraîne une dose d'irradiation de l'utérus de 2,4 mGy.

Allaitement

Avant l’administration de radiopharmaceutiques à une mère qui allaite, il est nécessaire d’envisager la possibilité de retarder l’examen après la fin de l’allaitement ou de se demander si le radiopharmaceutique choisi est le plus approprié en terme de passage de radioactivité dans le lait maternel. Si l'administration est considérée comme nécessaire, l’allaitement doit être interrompu pendant 12 heures après administration et le lait tiré doit être éliminé.

Tout contact étroit avec des nourrissons doit être évité durant cette période.

4.7. Effets sur l'aptitude à conduire des véhicules et à utiliser des machines

La solution de pertechnétate (99mTc) de sodium n’a aucun effet ou un effet négligeable sur l’aptitude à conduire des véhicules et à utiliser des machines.

4.8. Effets indésirables

Des informations sur des effets indésirables issues de notifications spontanées sont disponibles. Les types d’effets indésirables rapportés sont des réactions anaphylactoïdes, des réactions neurovégétatives et divers types de réactions au site d’injection. Le pertechnétate (99mTc) de sodium issu du générateur Tekcis est utilisé pour le marquage radioactif de divers composés. Le potentiel d’effets indésirables de ces agents pharmaceutiques est généralement plus élevé que celui du 99mTc, et de ce fait, les effets indésirables rapportés sont plutôt liés aux composés marqués qu'au 99mTc. Les types éventuels des effets indésirables à la suite de l’administration intraveineuse d’une préparation pharmaceutique marquée par le 99mTc dépendent du composé spécifique utilisé. Ces informations peuvent être consultées dans le RCP de la trousse utilisée pour la préparation radiopharmaceutique.

Réactions anaphylactoïdes :

Des réactions anaphylactoïdes ont été rapportées à la suite de l'injection intraveineuse de pertechnétate (99mTc) et ont comporté divers symptômes cutanés ou respiratoires tels que des irritations cutanées, un œdème ou une dyspnée².

Réactions neurovégétatives (système nerveux et troubles digestifs) ;

Des cas isolés de réactions neurovégétatives sévères ont été rapportés, mais la plupart des effets neurovégétatifs décrits ont été des troubles digestifs tels que des nausées ou des vomissements². D’autres rapports ont décrit des réactions vasovagales telles que des céphalées² ou des sensations vertigineuses². Les effets neurovégétatifs sont plutôt considérés comme liés au contexte de l’examen qu’au technétium (99mTc), particulièrement chez les patients anxieux.

Troubles généraux et anomalies au site d’administration

D’autres rapports ont décrit des réactions locales au site de l’injection. Ces réactions sont liées à l’extravasation de la substance radioactive durant l’injection, et sont allées d’une tuméfaction locale² jusqu’à une cellulite². Selon la radioactivité administrée et le composé radiomarqué, une extravasation étendue peut nécessiter un traitement chirurgical.

Les types de réactions et les symptômes observés sont résumés ci-dessous. Seules des notifications spontanées ont pu être analysées, et aucune indication de fréquence ne peut donc être mentionnée.

Effets indésirables classés par classe de système d’organe

Affections du système immunitaire

Fréquence inconnue* : Réactions anaphylactoïdes (par exemple dyspnée², coma, urticaire, érythème, éruption, prurit, œdème à diverses localisations, par exemple visage)

Affections du système nerveux

Fréquence inconnue* : Réactions vasovagales (par exemple syncope, tachycardie, bradycardie, sensations vertigineuses², céphalées², vision floue, bouffées vasomotrices)

Affections gastro-intestinales

Fréquence inconnue* : Vomissements², nausées, diarrhée²

Troubles généraux et anomalies au site d’administration

Fréquence inconnue* : Réactions au site de l’injection (par exemple cellulite², douleur², érythème², tuméfaction²)

* Effets indésirables décrits dans des notifications spontanées.

² Ces effets indésirables ont été rapportés avec des produits similaires et sont donc probables avec Tekcis.

Une exposition à des radiations ionisantes est associée à l’induction de cancers et à un risque d’anomalies congénitales. La dose efficace étant de 5,2 mSv quand la radioactivité maximale recommandée de 400 MBq est administrée, la probabilité de survenue de ces effets indésirables est considérée comme faible.

4.9. Surdosage

En cas d’administration d’une dose excessive de radioactivité avec le pertechnétate (99mTc) de sodium, la dose absorbée par le patient doit être réduite autant que possible en augmentant l’élimination du radioélément par une diurèse forcée, des mictions et défécations fréquentes.

La fixation dans la thyroïde, les glandes salivaires et la muqueuse gastrique peut être significativement réduite si du pertechnétate de sodium est administré immédiatement après une dose accidentellement élevée de pertechnétate (99mTc) de sodium.

5. PROPRIETES PHARMACOLOGIQUES

5.1. Propriétés pharmacodynamiques

Classe pharmacothérapeutique : produit radiopharmaceutique à usage diagnostique code ATC : V09

Aucune activité pharmacologique n’a été observée aux activités administrées à des fins diagnostiques.

5.2. Propriétés pharmacocinétiques

Distribution

L’ion pertechnétate présente une distribution biologique similaire à celle des ions iodure et perchlorate, se concentrant transitoirement dans les glandes salivaires, le plexus choroïde, l’estomac (muqueuse gastrique) et la glande thyroïde, d’où il est éliminé sous forme inchangée. L’ion pertechnétate tend également à se concentrer dans des régions présentant une hypervascularisation ou des anomalies de la perméabilité vasculaire, particulièrement quand un prétraitement par un agent bloquant a inhibé la fixation dans des structures glandulaires. Si la barrière hémato-encéphalique est intacte, le pertechnétate (99mTc) de sodium ne pénètre pas dans les tissus cérébraux.

Fixation aux organes

Dans la circulation sanguine, 70 à 80 % du pertechnétate (99mTc) de sodium injecté par voie intraveineuse sont liés aux protéines, principalement à l’albumine de façon non spécifique. La fraction non liée (20 à 30 %) s’accumule transitoirement dans la thyroïde et les glandes salivaires, les muqueuses gastrique et nasale et le plexus choroïdien.

Néanmoins, contrairement à l’iode, le pertechnétate (99mTc) n’est ni utilisé dans la synthèse des hormones thyroïdiennes (organification), ni absorbé dans l'intestin grêle. Dans la thyroïde, selon son état fonctionnel et sa saturation en iode (environ 0,3 à 3 % en euthyroïdie et jusqu’à 25 % en hyperthyroïdie et en déplétion iodée), l’accumulation maximale est atteinte environ 20 minutes après l’injection puis rediminue rapidement. Il en est de même pour les cellules pariétales de la muqueuse gastrique et les acini des glandes salivaires.

Le pertechnétate (99mTc), libéré dans la circulation sanguine via la thyroïde, est aussi secrété dans la salive et le suc gastrique. L’accumulation dans les glandes salivaires est de l’ordre de 0,5 % de l’activité administrée et atteint sa valeur maximale au bout d’environ 20 minutes. Une heure après injection, la concentration salivaire est environ 10 à 30 fois supérieure à la concentration plasmatique. L’excrétion peut être accélérée par la prise de jus de citron ou par une stimulation du système nerveux parasympathique ; le perchlorate réduit l’absorption.

Élimination

La clairance plasmatique est d’environ 3 heures. Le pertechnétate (99mTc) n’est pas métabolisé dans l’organisme. Une fraction est éliminée très rapidement par voie rénale et le restant, plus lentement dans les fèces, la salive et le liquide lacrymal. L'excrétion est principalement urinaire (environ 25 %) durant les 24 heures suivant l’administration puis une excrétion fécale se produit sur les 48 heures suivantes. Environ 50 % de l’activité administrée sont excrétés au cours des 50 premières heures. Quand le captage sélectif du pertechnétate (99mTc) dans des structures glandulaires est inhibé par la pré-administration d’agents bloquants, l'excrétion suit les mêmes voies mais la clairance rénale est plus élevée.

Quand la solution injectable de pertechnétate (99mTc) de sodium est utilisée pour la formation de complexes marqués au technétium-99m, les propriétés pharmacologiques ainsi que toxicologiques peuvent changer selon le type du ligand marqué par le technétium.

5.3. Données de sécurité préclinique

Il n’existe aucune information sur la toxicité aiguë, subaiguë et chronique à la suite de l’administration d’une dose unique ou d’administrations réitérées. La quantité de pertechnétate (99mTc) administrée durant des examens cliniques diagnostiques est très faible, et aucun effet indésirable autre que des réactions allergiques n’a été rapporté.

Ce produit n’est pas destiné à une administration régulière ou continue.

Aucune étude du potentiel mutagène ou du potentiel cancérogène à long terme n’a été menée.

Toxicité pour la reproduction : Le passage transplacentaire du 99mTc à partir d’une injection de pertechnétate (99mTc) de sodium administré par voie intraveineuse a été étudié chez la souris. Sans prétraitement par du perchlorate, une quantité s’élevant jusqu’à 60 % du pertechnétate (99mTc) injecté a été retrouvée dans l’utérus gravide. Des études menées chez la souris gestante durant la gestation, la gestation et l’allaitement, et l’allaitement seul ont montré des modifications chez la progéniture incluant une diminution pondérale, une apilosité et une stérilité.

6. DONNEES PHARMACEUTIQUES

6.1. Liste des excipients

· Système de colonne :

Oxyde d’aluminium

· Poche de solution pour élution :

Chlorure de sodium, nitrate de sodium, eau pour préparations injectables.

· Flacons d’élution :

Azote sous pression réduite.

6.2. Incompatibilités

Ce médicament ne doit pas être mélangé avec d’autres médicaments à l’exception de ceux mentionnés dans la rubrique 12.

6.3. Durée de conservation

Générateur : 21 jours à partir de la date de fabrication.

La date de calibration et la date de péremption sont mentionnées sur l’étiquette.

Éluat pertechnétate (99mTc) de sodium : A utiliser dans les 10 heures après élution, avec un maximum de 10 prélèvements.

Ce produit ne nécessite pas de précautions particulières de conservation.

Flacons d’élution : 24 mois.

6.4. Précautions particulières de conservation

Générateur : Ce produit ne nécessite pas de précautions particulières de conservation.

Éluat : Pour les conditions de conservation du médicament après élution, voir la rubrique 6.3.

Flacons sous vide : Ne pas conserver au-dessus de 25° C.

Les produits radiopharmaceutiques doivent être conservés conformément à la réglementation nationale sur les matériaux radioactifs.

6.5. Nature et contenu de l'emballage extérieur

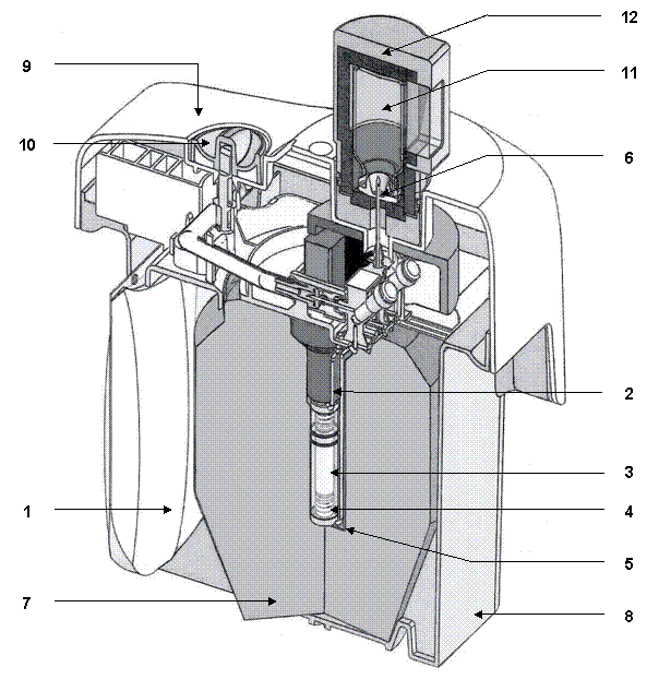
Le générateur Tekcis est livré en conteneur de transport de type A. Il comporte :

· Une poche souple en PVC de 250 mL contenant la solution d’élution (1). Elle est connectée au sommet de la colonne chromatographique par une aiguille en acier inoxydable (2)

· une colonne chromatographique en verre (3) fermée à ses extrémités par un bouchon en silicone munis de frittés en acier inoxydable (4). Cette colonne contient de l’alumine sur laquelle est adsorbé le molybdène-99.

· une aiguille de sortie (5) dont l’une des extrémités est connectée à la base de la colonne; l'autre extrémité (6) se connectant au flacon d'élution pour éluer la colonne ou au flacon de protection (STE-ELU) afin de préserver la stérilité entre deux élutions

La colonne d'alumine et les aiguilles sont protégées par un blindage cylindro-conique en plomb ou en tungstène (7). Jusqu’à 25 GBq, les générateurs de technétium (99mTc) sont équipés d’un blindage en plomb et celui de 50 GBq d’un blindage en tungstène.

L'ensemble est placé dans une coque parallélépipédique en plastique moulé (23 x 21 x 14 cm) (8-9).

L'aiguille d'élution sortant de la partie supérieure de la coque en plastique, est protégée par un capuchon de transport ou un flacon de protection (STE-ELU).

A côté de l’aiguille d’élution, se trouve un robinet (10) fermé au cours du transport.

Accessoires fournis avec le générateur :

· une pochette de 10 flacons d’élution, stériles et apyrogènes, sous vide partiel (TC-ELU-5) (11) permettant l'élution de 5 mL à 6 mL.

· un flacon stérile de protection de l'aiguille d’élution (STE-ELU).

Chaque flacon d'élution et flacon de protection est un flacon de 15 mL en verre, incolore, type I de la Pharmacopée européenne, fermé par un bouchon en caoutchouc et scellé par une capsule en aluminium.

· Un conteneur d’élution (12) est fourni avec le premier envoi.

Autres accessoires disponibles :

· trousses contenant des flacons de 10 x15 mL :

o flacons sous vide partiel permettant l’élution de 5 à 6 mL ;

o flacons sous vide partiel permettant l’élution de 9 à 11 mL ;

o flacons sous vide partiel permettant l’élution de 14 à 16 mL.

· blindage supplémentaire en plomb s’adaptant au générateur Tekcis : PROTECT ELU.

Présentation :

Activité 99mTc

(Activité maximale éluable à la date de calibration, 12h CET)

2

4

6

8

10

12

16

20

25

50

GBq

Activité 99Mo

(à la date de calibration, 12h CET)

2,5

5

7

9,5

12

14,5

19

24

30

60

GBq


Schéma du générateur Tekcis en mode élution

1

Poche de solution pour élution

Blindage cylindro-conique en plomb ou en tungstène

7

2

Aiguille de connexion

Coque inférieure en plastique

8

3

Colonne chromatographique en verre

Coque supérieure en plastique

9

4

Bouchon en silicone + frittes en acier inoxydable

Robinet

10

5

Aiguille de sortie en acier inoxydable

Flacon d’élution

11

6

Aiguille d’élution

Conteneur d’élution

12


6.6. Précautions particulières d’élimination et de manipulation

Mises en garde générales

Les produits radiopharmaceutiques ne doivent être réceptionnés, utilisés et administrés que par des personnes autorisées dans les services compétents. Leur réception, leur stockage, leur utilisation, leur transfert et leur élimination sont soumis aux réglementations et aux autorisations appropriées des autorités compétentes.

Les produits radiopharmaceutiques doivent être préparés de manière à satisfaire à la fois aux normes de radioprotection et de qualité pharmaceutique. Les précautions appropriées d’asepsie doivent être prises.

Si l'intégrité du flacon est compromise lors de la préparation du produit, celui-ci ne doit pas être utilisé.

Les procédures d’administration doivent être menées d'une façon minimisant le risque de contamination du produit et d’irradiation des opérateurs. Un blindage adéquat est obligatoire.

L’administration de produits radiopharmaceutiques présente des risques pour l’entourage du patient en raison de l’irradiation externe ou de la contamination par les urines, les vomissements, etc...Par conséquent, il faut prendre toutes les mesures de radioprotection requises par les réglementations nationales.

L’activité résiduelle du générateur doit être estimée avant élimination.

Tout produit non utilisé ou déchet doit être éliminé conformément à la réglementation en vigueur.

7. TITULAIRE DE L’AUTORISATION DE MISE SUR LE MARCHE

CIS bio international

RN 306

B.P.32

91192 Gif-sur-Yvette

8. NUMERO(S) D’AUTORISATION DE MISE SUR LE MARCHE

· 578 175-2 ou 34009 578 175 2 7 : générateur pour élution de 2, 4, 6, 8, 10, 12, 16, 20, 25 ou 50 GBq de technétium-99m à la date de calibration.

9. DATE DE PREMIERE AUTORISATION/DE RENOUVELLEMENT DE L’AUTORISATION

28 septembre 2010

10. DATE DE MISE A JOUR DU TEXTE

[à compléter par le titulaire]


11. DOSIMETRIE

Les données ci-dessous proviennent de l’ICRP 80 et sont calculées selon les hypothèses suivantes :

(I)Sans prétraitement par un agent bloquant :

Organe

Dose absorbée par unité d’activité administrée (mGy/MBq)

Adulte

15 ans

10 ans

5 ans

1 an

Glandes surrénales

0,0037

0,0047

0,0072

0,011

0,019

Paroi vésicale

0,018

0,023

0,030

0,033

0,060

Surfaces osseuses

0,0054

0,0066

0,0097

0,014

0,026

Cerveau

0,0020

0,0025

0,0041

0,0066

0,012

Seins

0,0018

0,0023

0,0034

0,0056

0,011

Vésicule biliaire

0,0074

0,0099

0,016

0,023

0,035

Voies gastro-intestinales

§ Paroi gastrique

0,026

0,034

0,048

0,078

0,16

§ Intestin grêle

0,016

0,020

0,031

0,047

0,082

§ Côlon

0,042

0,054

0,088

0,14

0,27

§ Paroi du côlon ascendant

0,057

0,073

0,12

0,20

0,38

§ Paroi du côlon descendant

0,021

0,028

0,045

0,072

0,13

Cœur

0,0031

0,0040

0,0061

0,0092

0,017

Reins

0,0050

0,0060

0,0087

0,013

0,021


Foie

0,0038

0,0048

0,0081

0,013

0,022

Poumons

0,0026

0,0034

0,0051

0,0079

0,014

Muscles

0,0032

0,0040

0,0060

0,0090

0,016

Œsophage

0,0024

0,0032

0,0047

0,0075

0,014

Ovaires

0,010

0,013

0,018

0,026

0,045

Pancréas

0,0056

0,0073

0,011

0,016

0,027

Moelle osseuse rouge

0,0036

0,0045

0,0066

0,0090

0,015

Glandes salivaires

0,0093

0,012

0,017

0,024

0,039

Peau

0,0018

0,0022

0,0035

0,0056

0,010

Rate

0,0043

0,0054

0,0081

0,012

0,021

Testicules

0,0028

0,0037

0,0058

0,0087

0,016

Thymus

0,0024

0,0032

0,0047

0,0075

0,014

Thyroïde

0,022

0,036

0,055

0,12

0,22

Utérus

0,0081

0,010

0,015

0,022

0,037

Autres tissus

0,0035

0,0043

0,0064

0,0096

0,017

Dose efficace

(mSv/MBq)

0,013

0,017

0,026

0,042

0,079

(II).Avec prétraitement par un agent bloquant :

Organe

Dose absorbée par unité d’activité administrée (mGy/MBq)

Adulte

15 ans

10 ans

5 ans

1 an

Glandes surrénales

0,0029

0,0037

0,0056

0,0086

0,016

Paroi vésicale

0,030

0,038

0,048

0,050

0,091

Surfaces osseuses

0,0044

0,0054

0,0081

0,012

0,022

Cerveau

0,0020

0,0026

0,0042

0,0071

0,012

Seins

0,0017

0,0022

0,0032

0,0052

0,010

Vésicule biliaire

0,0030

0,0042

0,0070

0,010

0,013

Voies gastro-intestinales

§ Paroi gastrique

0,0027

0,0036

0,0059

0,0086

0,015

§ Intestin grêle

0,0035

0,0044

0,0067

0,010

0,018

§ Côlon

0,0036

0,0048

0,0071

0,010

0,018

§ Paroi du côlon ascendant

0,0032

0,0043

0,0064

0,010

0,017

§ Paroi du côlon descendant

0,0042

0,0054

0,0081

0,011

0,019

Cœur

0,0027

0,0034

0,0052

0,0081

0,014

Reins

0,0044

0,0054

0,0077

0,011

0,019

Foie

0,0026

0,0034

0,0053

0,0082

0,015

Poumons

0,0023

0,0031

0,0046

0,0074

0,013

Muscles

0,0025

0,0031

0,0047

0,0072

0,013

Œsophage

0,0024

0,0031

0,0046

0,0075

0,014

Ovaires

0,0043

0,0054

0,0078

0,011

0,019

Pancréas

0,0030

0,0039

0,0059

0,0093

0,016

Moelle osseuse rouge

0,0025

0,0032

0,0049

0,0072

0,013

Peau

0,0016

0,0020

0,0032

0,0052

0,0097

Rate

0,0026

0,0034

0,0054

0,0083

0,015

Testicules

0,0030

0,0040

0,0060

0,0087

0,016

Thymus

0,0024

0,0031

0,0046

0,0075

0,014

Thyroïde

0,0024

0,0031

0,0050

0,0084

0,015

Utérus

0,0060

0,0073

0,011

0,014

0,023

Autres tissus

0,0025

0,0031

0,0048

0,0073

0,013

Dose efficace

(mSv/MBq)

0,0042

0,0054

0,0077

0,011

0,019

La dose efficace résultant de l’administration de 400 MBq de pertechnétate (99mTc) de sodium à un adulte pesant 70 kg est d’environ 5,2 mSv.

Après prétraitement par un agent bloquant et administration de 400 MBq de pertechnétate (99mTc) de sodium à un adulte pesant 70 kg, la dose efficace est de 1,7 mSv.

La dose de radiations absorbée par le cristallin à la suite de l’administration de pertechnétate (99mTc) de sodium pour une scintigraphie des canaux lacrymaux, est estimée à 0,038 mGy/MBq. Il en résulte une dose efficace équivalente de moins de 0,01 mSv pour une activité administrée de 4 MBq.

L’exposition aux radiations présentée est uniquement applicable si la fonction de tous les organes accumulant le pertechnétate (99mTc) de sodium est normale. Un hyperfonctionnement ou un hypofonctionnement (par exemple de la thyroïde, de la muqueuse gastrique ou des reins) et des processus étendus avec altération de la barrière hémato-encéphalique ou troubles de l’élimination rénale peuvent entraîner des modifications de l’exposition aux radiations et même de fortes augmentations locales de celle-ci.

Exposition externe aux radiations :

Débit de dose du 99Mo-99mTc à la surface du générateur (μSv/h.GBq)

Débit de dose du 99Mo-99mTc à un mètre de distance du générateur (μSv/h.GBq)

Blindage de 41 mm en plomb

16

0,3

Les débits de dose à la surface et la dose accumulée dépendent de nombreux facteurs. Des mesures dans les locaux et durant le travail sont d’une extrême importance et doivent être réalisées pour une détermination plus précise et plus informative de la dose totale de radiation reçue par le personnel.

12. INSTRUCTIONS POUR LA PREPARATION DES RADIOPHARMACEUTIQUES

L’élution par le générateur doit être effectuée dans des locaux conformes à la réglementation nationale relative à la sécurité d'utilisation des produits radioactifs.

La solution éluée est une solution injectable limpide et incolore de pertechnétate (99mTc) de sodium (Ph. Eur.), de pH 4,5 à 7,5 et de pureté radiochimique supérieure ou égale à 95 %.

Si la solution de pertechnétate (99mTc) de sodium est utilisée pour le marquage d’une préparation radiopharmaceutique, la notice de la trousse concernée doit être consultée.

Méthode de préparation

Désinfecter le bouchon des flacons d’élution avant chaque élution.

Mise en garde :

Ne pas utiliser d'éthanol ou d'éther éthylique pour désinfecter le bouchon du flacon d'élution, car cela pourrait interférer avec le processus d'élution.

Pendant le transport, la stérilité de l'aiguille d'élution est préservée par un capuchon.


Protéger l'aiguille d'élution d’une éventuelle contamination bactérienne en plaçant le flacon de protection sur l'aiguille entre deux élutions.

Respecter les séquences suivantes pour l’obtention de résultats satisfaisants :

Première élution :

Lors de l’utilisation du générateur pour la première fois, OUVRIR robinet (10) sur la position ON AVANT de mettre en place le flacon d’élution. Ne jamais refermer le robinet entre deux élutions. Ne le refermer qu’au moment de la mise hors service définitive du générateur.

Pour éluer le générateur, remplacer le bouchon ou le flacon de protection par un conteneur d'élution (A) dans lequel a été placé un flacon d'élution sous vide correspondant au volume d’élution désiré (13).

L'élution peut être observée par la fenêtre en verre plombée (14) du conteneur (A). Attendre deux minutes pour que l’élution soit totale.

Vérifier la limpidité de l’éluat avant utilisation et éliminer la solution si celle-ci n’est pas limpide.

Après l’élution, remettre immédiatement en place le flacon protecteur afin de maintenir la stérilité de l’aiguille.

Volumes d’élution

TEKCIS est un générateur conçu pour éluer toute l'activité en technétium-99m disponible en 5 mL. Des élutions fractionnées ne sont donc pas nécessaires. Une élution avec des volumes plus importants
(10 ou 15 mL) peut cependant être effectuée.

Possibilités d’utilisation

L’activité mentionnée sur l’étiquette du générateur est exprimée en technétium-99m disponible à la date de la calibration (12:00 CET).

L’activité en technétium-99m disponible dépend :

· de l’activité en molybdène-99 au moment de l'élution ;

· du temps écoulé depuis la dernière élution.

Contrôle de qualité

La limpidité de la solution, le pH, la radioactivité et la présence de molybdène-99 dans l’éluat doivent être vérifiés avant l'administration.

Le test pour la détection du molybdène-99 dans l’éluat peut être effectué soit selon la méthode de la Pharmacopée Européenne, soit selon d’autres méthodes validées, permettant la détermination d’une teneur en molybdène-99 inférieure à 0,1 % de la radioactivité totale à la date et heure de l’administration.

Masse de technétium (99mTc + 99Tc) présente dans l’éluat :

Le molybdène-99 se transforme en technétium-99m (87,6 % des désintégrations du molybdène-99) et en technétium-99 (12,4 % des désintégrations du molybdène-99). La masse totale de technétium ((99mTc) + (99Tc)) exprimée en µg de technétium présent dans l’éluat peut être calculée au moyen de la formule simplifiée suivante :

M (µg) = Activité en technétium-99m de l’éluat x k

F

k = 5,161.10-3 (activité exprimée en GBq)

F représente le rapport du nombre d’atomes de technétium-99m (N99m) sur le nombre total d'atomes de technétium (Nt) :

F = N99m

Nt


Les valeurs de ce rapport (F) en fonction du temps écoulé entre deux élutions sont présentées dans le tableau suivant :

Heures

Jours

0

1

2

3

4

5

6

0

-

0,277

0,131

0,076

0,0498

0,0344

0,0246

3

0,727

0,248

0,121

0,072

0,0474

0,0329

0,0236

6

0,619

0,223

0,113

0,068

0,0452

0,0315

0,0227

9

0,531

0,202

0,105

0,064

0,0431

0,0302

0,0218

12

0,459

0,184

0,098

0,061

0,0411

0,0290

0,0210

15

0,400

0,168

0,092

0,058

0,0393

0,0278

0,0202

18

0,352

0,154

0,086

0,055

0,0375

0,0266

0,0194

21

0,311

0,141

0,081

0,052

0,0359

0,0256

0,0187

Exemples :

Le technétium-99m d’un générateur est élué en 5 mL ; l’activité mesurée est de 10 GBq; l’élution précédente a été effectuée 27 heures auparavant.

La masse de technétium est :

M (µg) = 10 x 5,161.10-3 = 0,208 µg

0,248

soit 0,042 µg/mL

Le technétium-99m d’un générateur est élué 4 jours après sa préparation (il s'agit alors pour l'utilisateur d'une première élution). Pour une activité de 10 GBq éluée dans 5 mL, la masse de technétium est :

M(µg) = 10 x 5,161.10-3 = 1,036 µg

0,0498

soit 0,207 µg/mL, c’est-à-dire cinq fois plus de technétium que dans l’exemple précédent. Bien que faible, cette quantité de technétium peut affecter le rendement de marquage de certains composés.

Le premier éluat obtenu à partir de ce générateur peut généralement être utilisé, sauf indication contraire. Même si l’élution précédente date de plus de 24 heures, l’éluat peut être utilisé pour le marquage de trousses, sauf si l’utilisation d’un éluat frais est précisée dans le RCP de la trousse concernée.

CONDITIONS DE PRESCRIPTION ET DE DELIVRANCE

Liste I.

Médicament réservé à l’usage hospitalier.